| GRIDMAX METERS | Download |
GridMax Meters are single and poly phase electronic watt hour meters that are designed to offer high quality, reading, performance and two way communications at an affordable price.
GridMax Meters send power quality data such as voltage, current, averages, peaks, sags and other information that is needed for TOU, CPP and RTP pricing to GridMax backhaul or other data collection systems.
To insure system security and confidentiality of data GridMax Meters use strong PKI (Public Key Infrastructure) based security for identification and encryption of data that is sent over the network.
- Two-way, near real time communications network to support
- Advanced Metering Infrastructure (AMI), Demand Response (DR) and Distribution
- Automation (DA)
- Supports residential (single phase)
- Self-initiating and self-healing network
- Highly secure network (PKI) to safeguard against cyber attacks and physical tampering
- Security features built into key points within the network including end devices, communications system, gatekeepers and network server
GridMax Meters provide the accuracy and reliability needed in different deployment environments. They are available in different form factors from the standard ANSI certified meters to custom indoor/outdoor meters.
GridMax Meters are built for the Smart Grid and feature communication protocol technology that can be configured to utility customer requirements. This includes RF, ZigBee, GPRS, Wifi, RS485 and PLC.
GridMax Meters provide network level security using state of the art encryption and latest digital certificate technology to ensure data communicated is both secure and tamper proof.
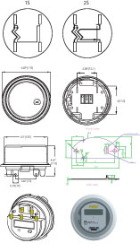
PERI ANSI electric meters with optional disconnect relays
PERI's ANSI meters are secure, accurate, robust and reliable energy meters solution for advanced metering infrastructure solutions (AMI). PERI's highly secure wireless communication establishes a two way communication with the meter and the meters form a mesh topology. The meters can be accessed and controlled remotely. The mesh network formed by the gateway and meters are self-healing and discovery for network stability.
FEATURES
Wireless Communication
Every meter comes with built-in PERI's ZigBee communication module which offers high security communication. Using digital certificates and industry standard encryption, each meter securely connects to the utility network by forming a self healing ZigBee mesh network.
Communication Configuration- RF Data Rate: 250 Kbps
- Indoor/Urban Range: 300 ft (90 m)
- Outdoor/RF Line-of-Sight Range: 2 miles (3200 m)/Int'l 5000 ft (1500 m)
- Transmit Power: 63 mW (+18 dBm)
- Receiver Sensitivity: (1% PER):102 dBm
- Interference Immunity: DSSS (Direct Sequence Spread Spectrum)
- Supply Voltage: 2.7 - 3.6 VDC
- Transmit Current: 220 mA
- Receive Current: 62 mA
- Power-Down Current: 4 uA @ 25 C
- Communication Regulatory Approvals: FCC (USA),IC (Canada), ETSI (Europe), C-TICK (Australia), TELEC (Japan)
- Local and remote configuring feature
- Up to 8 time-of-use metering
- Up to 4 tariffs
- Full scale calender schedules
- Configurable block or rolling demand calculations, demand intervals and logging (load profile) to coincide parameters
Power quantity analysis
Power outages with time stamps for utility server to measure quality voltage SAG and SWELL detection and logging
Energy measurement
Forward and reverse energy active measurement and total. Four quadrant reactive energy measurement or forward and reverse reactive energy measurement
Tamper detections
- Meter seal break detect
- Meter reprogram and reset events records
- Phase disconnect
- Reversal of phase or neutral
- Reversal of line and load terminals
- Load through local Earth or without earth
- Neutral disconnected from load, supply or both sides
- AC/DC magnetic field of 0.2T (Tesla) on all the sides of meter
- Meter working without effects by permanent magnet of up to 0.5 T
- Detection and restoration of the magnetic influence more than 0.2T with date & time stamping
ANSI C12 .18 compliant optical port
Optical Pulse outputs to read and test energy without affecting normal operation
Display
- Big 7 digit display for all configured parameters
- 3 digit resolution
- Back light for dark environment reading
- Tariff type indicator
- Energy direction indicator
- Relay(switch) status indicator
- Low meter backup battery indicator
Big digits for easy read, Back-lit for dark environment reading (optional)
Certifications
ANSI C12.1-2008 Standard for Electric Meters-Code for Electricity Metering
ANSI C12.10-2004 Standard for Physical Aspects of Watt-hour Meters-Safety Standard
ANSI C12.18-2006 Standard for Protocol Specification for ANSI Type 2 Optical Port
ANSI C12.19-2008 Standard for Utility Industry End Device Data Tables
ANSI C12.20-2002 Standard for Electricity Meter-0.2 and 0.5 Accuracy Classes
ANSI C37.90-1989 Standard for Relay Systems Associated with Electric Power Apparatus
Accuracy
ANSI C 12.20 Class 0.5
Temperature, Specified Operating Range
-40° to +85° C
Temperature, Limit Range for Storage and Transport
-40° to +85° C
Humidity
<=95% non-condensing
RTC
Real-time clock accurate to +/- 0.5 seconds per day
Nominal Voltage
Form 1S, 110 VAC, range is 90% to 110% of VAC
Form 2S, 240 VAC, range is 100 to 265 VAC
Frequency
60 Hz +/- 5%
Current
CL200, TA 30A
Optional Load Disconnect Switch
200A, Remote and local disconnect and enable, safe operation with load-side voltage sensing
Meter Power Consumption
Voltage circuit: < 5VA
Current circuit: <1VA
Starting Current
100 mA
Units Measured
kWh forward, reverse, forward + reverse, forward-reverse
kvar import, export, kvarh import, export
RMS voltage, RMS current, power factor frequency
rolling and block demand for energy sources (optional)
kvarh per quadrant (with demand metering option)
Power Quality Analysis
Sag, swell number of over-current occurrences, number of power outages with time stamps max and min frequency, phase loss, total harmonic distortion.
Time of Use
4 tariffs with up to 8 time of use modes
Data Logging Intervals
User-selected at 5, 10, 15, 30, 60 minutes, 1 day or custom equal multiple value
Verification Output
pulse-output LED representing active reactive energy
Optical Port
complying to ANSI C12.18-2006
Display
7-digit liquid crystal display with telltale for various indications
Data Communications and data security
Zig Bee communication with 128bit AES encryption and authentication with PKI infrastructure with digital certificates
Data Storage
Non-volatile memory
Enclosure
Form 1S meter, ANSI C12.10-2004
Form 2S meter, ANSI C12.10-2004
Safety Rating
UL 61010-1 (2001)
Specifications subject to change
DOCUMENTATION
ANSI 2S Meter User's Guide 078-0384-01A
